米兰电竞

行业知识

接触器互锁正反转电路知识

2022-04-16 10:55:50 kwzk米兰电竞-最专业的电子竞技门户自控

接触器互锁正反转电路知识

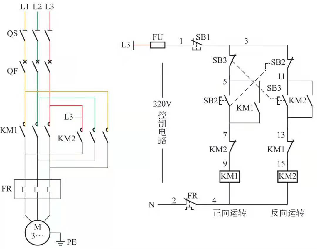
图片关键词

合上控制回路熔断器FU,电路具备启停条件。电动机主回路中增加了过载保护(热继电器FR)。电动机过载时,热继电器FR动作,FR的动断触点断开,接触器KM断电释放,KM的三个主触点同时断开,电动机断电停止运转。

图片关键词

(1)电动机正向运转


按下正向启动按钮SB2,电源L3相→控制回路熔断器FU→1号线→停止按钮SB1动断触点→3号线→按钮SB3动断触点→5号线→启动按钮SB2动合触点(按下时闭合中)→7号线→反向接触器KM2动断触点→9号线→正向接触器KM1线圈→4号线→热继电器FR动断触点→2号线→电源N极。电路接通,接触器KM1线圈获220V电压动作。动合触点KM1闭合自保。主回路中正向接触器KM1三个主触点同时闭合,电动机M绕组获得按L1、L2、L3排列的三相380V交流电源,电动机正向运转。

按下停止按钮SB1时,动断触点SB1断开,切断正向接触器KM1控制电路,接触器KM1线圈断电释放,接触器KM1的三个主触点断开,电动机断电停止运转。

(2)电动机反向运转


按下反向启动按钮SB3,电源L3相→控制回路熔断器FU→1号线→停止按钮SB1动断触点→3号线→按钮SB2动断触点→11号线→启动按钮SB3动合触点(按下时闭合中)→13号线→正向接触器KM1动断触点→15号线→反向接触器KM2线圈→4号线→热继电器FR动断触点→2号线→电源N极。电路接通,接触器KM2线圈获220V电压动作。动合触点KM2闭合自保。主回路中反向接触器KM2三个主触点同时闭合,电动机M绕组获得按L3、L2、L1排列的三相380V交流电源,电动机反向运转。

按下停止按钮SB1时,动断触点SB1断开,切断正向接触器KM2控制电路,接触器KM2线圈断电释放,接触器KM2的三个主触点断开,电动机断电停止运转。



TAG: 接触器
米兰电竞
产品
新闻
联系