米兰电竞

行业知识

软启动器典型应用电路解析

2023-02-15 10:59:56 米兰电竞-最专业的电子竞技门户

软启动器典型应用电路解析

1、软启动器启动+运行的控制电路

控制电路如图1-1所示。断路器QF合闸,电源指示灯HL1亮,同时软启动器内部常闭接点(⑨-⑩)使进线接触器KM得电吸合,主触点KM1闭合,变频器接通主电源。

图片关键词

图1-1


启动过程:

按下启动按钮SB1 ,中间继电器 KA 得电吸合并自锁,其常闭触点KA(4-5)断开、常开触点KA(3-5)闭合,软启动器被触发输出,电动机开始启动。


停机过程:

按下软停按钮SB2,中间继电器KA失电释放并解除自锁,其常闭触点KA(4-5)闭合,常开触点KA(3-5)断开,电动机开始软停机。


发生故障时:

内部的故障继电器得电,常闭触点(9-10)断开,常开触点(8-10)闭合,使进线接触器KM失电释放,主触点断开,变频器断开电源进行保护,同时故障指示灯HL2亮起。


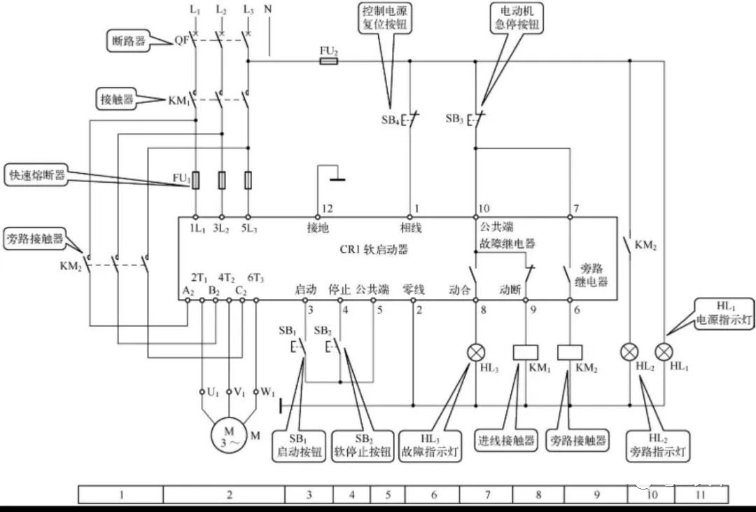
2、软启动器启动+旁路运行的控制电路

启动过程:

如图2-1所示,合上断路器QF,电源指示灯HL1亮起,表示电源已接通;同时进线接触器KM1得电,其主触点KM1闭合,软启动器主电源准备好。按下启动按钮SB3,软启动器得到启动信号,晶闸管开通输出,按照设定的参数(如起始电压、启动时间等)开始软起动,电动机转速逐步抬升。当电机到达额定转速时,软启动器内部的旁路触点(6-7)闭合,旁路接触器KM2得电,其主触点KM2闭合,将软启动器主电路短接,晶闸管停止工作。同时旁路指示灯HL2亮起,表示电动机启动结束,进入正常运行状态。

图片关键词

图2-1


停止过程

按下软停止按钮SB2,旁路接触器KM2失电释放,主触点断开,软启动器进入软停车工作,电动机M按设定参数(如斜坡时间、关断电压)开始软停止,电动机转速由快到慢逐渐降低,直至停机。断开断路器QF,KM1失电释放,主触点断开,切断软启动器电源,同时电源指示灯HL1灭,表示电源已断开。


故障情况

当遇紧急情况时,按下急停按钮SB3,接触器KM1和旁路接触器KM2同时失电释放,主触点断开,电动机完全失电,开始自由停机。当软启动器内部发生故障时,故障继电器动作,动合触点(10-8)闭合,故障指示灯HL3亮起;同时,动断触点(10-9)断开,KM1失电释放,主触点断开,切断软启动器进线电源。在故障排除后,按一下控制电源复位按钮SB4,即可正常操作。


两种电路优缺点对比分析:

电路1在启动完成后,软启动器保持全电压输出,晶闸管始终处于开通状态。

电路2在完成启动后,软启动器退出工作,有利于延长软启动器使用寿命。


米兰电竞
产品
新闻
联系