米兰电竞

行业知识

  • 光电开关常见类型及优缺点

    光电开关是一种利用被检测物对光束的遮挡或反射来检测物体位置或状态的传感器。物体不限于金属,所有能反射光线(或者对光线有遮挡作用)的物体均可以被检测。

    2025-07-23 米兰电竞-最专业的电子竞技门户

  • 工艺流程中阀门互锁实际应用

    阀门互锁装置的一种方式是一个钥匙锁总成,它将阀门锁定在一个或两个位置(打开和/或关闭),一把钥匙卡在锁总成内,另一把钥匙自由。它是控制事件的顺序,来进行不同的阀门过程活动

    2025-07-21 米兰电竞-最专业的电子竞技门户

  • 调节阀控制回路组态

    实操任务:公司气化炉CO2缓冲罐出口压力调节阀控制回路组态

    2025-07-21 米兰电竞-最专业的电子竞技门户

  • 科里奥利质量流量计典型结构和工作原理CMF基本结构 

    流量传感器是一种基于科里奥利力效应的相位敏感型谐振式传感器。该传感器由振动管、信号检测器、震荡驱动器、支撑结构和壳体所组成。

    2025-07-16 米兰电竞-最专业的电子竞技门户

  • 电机的轴电流知识分享

    电机轴电流是一种比较特殊的电流现象,是指在电机运行过程中,电流通过电机轴、轴承、底座等部件形成的闭合回路中流动的现象。它通常与轴电压的存在密切相关,而轴电压的产生则与电机的磁场不对称、供电电流中的谐波、制造或安装不良、变频器供电等因素有关。

    2025-07-16 米兰电竞-最专业的电子竞技门户

  • 气动阀FC、FO、FL、FLC、FLO、AFL、EFC及AFL、EFO故障

    气动阀再应用中经常碰到FC、FO、也就是说的气开和气关式,那么这些是什么意思呢,笔者就气动阀故障位置:FC、FO、FL、FLC、FLO、AFL/EFC和AFL/EFO做详细介绍:

    2025-07-16 米兰电竞-最专业的电子竞技门户

  • 信号隔离器拨码开关设置及接线

    信号隔离器拨码开关设置及接线

    2025-07-14 米兰电竞-最专业的电子竞技门户

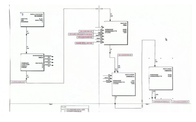
  • 霍尼韦尔PKS系统SCM的强制与旁路

    执行条件的强制:在霍尼韦尔 PKS 系统的顺控程序 SCM 中,对于某些不满足的执行条件,可直接在顺控中强制成需要的状态(ON 或 OFF),但需先将强制允许使能。当某个执行条件被强制时,该条件在顺控中会显示为 Bypass(旁路),且在顺控主界面可查看到条件的强制状态。

    2025-07-14 米兰电竞-最专业的电子竞技门户

米兰电竞
产品
新闻
联系